|
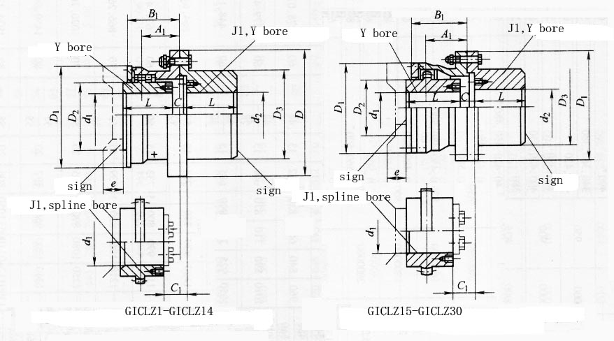
Features and applications: With a small amount of axis offset compensation performance, can not buffer, reduce vibration. The outer shape is small, theoretically, the transmission torque is large, and it needs lubrication and sealing, but the noise is large and the price is expensive, and it is used for connecting the horizontal two coaxial line shaft transmission. It is used to connect two horizontal coaxial lines under low speed and heavy load conditions, such as metallurgical machinery and heavy machinery. It is not suitable for high-speed, high-precision shafting transmission. It is not suitable to use frequent starting and reverse rotation. WG type - basic type; WGP type - with brake disc type, suitable for matching with disc brakes; WGZ type - with brake wheel type, suitable for supporting with tile brakes; WGT type - connected to the middle sleeve type, suitable for two-axis long-distance connection, the allowable speed [n] depends on the length and quality of the intermediate sleeve, and the critical speed should be checked; WGC type - vertical installation type, used to connect vertical two-axis shaft drive; Type I--The sealed end cap is of separate type with large tooth spacing, which can allow large radial displacement and can be connected with Y, J1 and Z1 shaft extensions; Type II--The sealed end cover is integral, the tooth spacing is small, the relative radial displacement is relatively small, the structure is compact, the moment of inertia is small, and it can be connected with the Y and J1 type shaft extension; GICL type - basic type (wide type); GIICL type - basic type (narrow type); GICLZ type - intermediate shaft type (wide type); GIICLZ type - intermediate shaft type (narrow type); GICL, GIICL type, for direct connection between two shaft ends; GICLZ, GILZ type, for two-axis long-distance connection; GCLD type--motor shaft extension type, used for motor shaft extension connection; ![]() ![]() |



