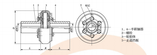
UL type tire couplings Features and applications: high elasticity, low torsional stiffness, strong vibration damping capacity, large compensation, good damping, simple structure, no lubrication, easy assembly and disassembly. The noise is small, the radial dimension is large, the bearing capacity is low, and the large axial additional load is generated during the overload. The service life depends on the quality of the rubber product, and is suitable for the shafting transmission with frequent starting, positive and negative reversal, and large impact vibration. It can work under dust and water conditions, and it is not suitable for high temperature, high speed, high torque and low speed and heavy load conditions.
![]() ![]() |



