|
WJ滚子联轴器 特点及应用场合:适用于起重机、提升机构的减速器与卷筒的联接及其他类似机构的联接,可传递转矩及支承径向载荷,结构紧凑.工作稳定,可靠。
WJ型--内花键联接型;
WJA型--轴孔单键联接型;
![]()
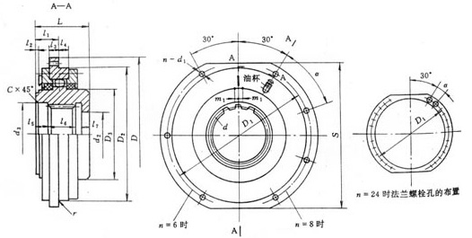
WJ球面滚子联轴器基本参数和主要尺寸(JB/T 7009-93) mm
![]() |

|
WJ滚子联轴器 特点及应用场合:适用于起重机、提升机构的减速器与卷筒的联接及其他类似机构的联接,可传递转矩及支承径向载荷,结构紧凑.工作稳定,可靠。
WJ型--内花键联接型;
WJA型--轴孔单键联接型;
![]()
WJ球面滚子联轴器基本参数和主要尺寸(JB/T 7009-93) mm
![]() |
镇江海诚机械制造有限公司
© 海诚集团 版权所有 All rights reserved.
地址:江苏省镇江市高新技术开发园区68号 服务热线:18913433240
公司电话:0511-85783292 公司传真:0511-85019680(自动接收)
Copyright © 镇江海诚机械制造有限公司 版权所有 苏ICP备14043855号-6