您好:欢迎访问镇江海诚机械制造有限公司官网!
全国免费服务热线:18913433240中文版  丨  英文版

梅花联轴器

三爪联轴器
LX星型弹性联轴器
LMZ型分体制动轮梅花联轴器
ML(LM)型梅花形弹性联轴器
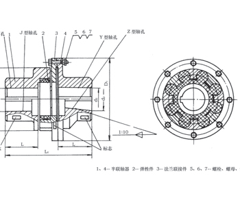
MLS(LMS)双法兰梅花弹性联轴器
MLL-II(LMZ-II)整体制动轮梅花联轴器
LN芯型联轴器
LMS型梅花弹性联轴器
LM型梅花形弹性联轴器
MLD(LMD)单法兰梅花弹性联轴器

镇江海诚机械制造有限公司
© 海诚集团 版权所有 All rights reserved.
地址:江苏省镇江市高新技术开发园区68号   服务热线:18913433240
公司电话:0511-85783292   公司传真:0511-85019680(自动接收)

Copyright © 镇江海诚机械制造有限公司 版权所有 苏ICP备14043855号-6