|
WS/WSD小通用轴特性及应用:可在小于45的情况下使用小扭矩工作。它适用于主要连接不同轴的传动轴,不能起到缓冲和减振的作用。可根据要求打开键槽、六方孔、四角孔。
WS -双轴型;
WSD -单轴式;
![]() WS/WSD小型万向轴的参数及主要尺寸:(JB/T 5901-91) mm ![]() |

|
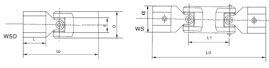
WS/WSD小通用轴特性及应用:可在小于45的情况下使用小扭矩工作。它适用于主要连接不同轴的传动轴,不能起到缓冲和减振的作用。可根据要求打开键槽、六方孔、四角孔。
WS -双轴型;
WSD -单轴式;
![]() WS/WSD小型万向轴的参数及主要尺寸:(JB/T 5901-91) mm ![]() |
镇江海诚机械制造有限公司
© 海诚集团 版权所有 All rights reserved.
地址:江苏省镇江市高新技术开发园区68号 服务热线:18913433240
公司电话:0511-85783292 公司传真:0511-85019680(自动接收)
Copyright © 镇江海诚机械制造有限公司 版权所有 苏ICP备14043855号-6